Melayu
|
Nombor model |
SG - DTM06U (C, M) 2 - x |
SG - DTM06U (C, M) 2 - TX |
SG - DTM03U (C, M) 2 - x |
SG - DTM03U (C, M) 2 - TX |
SG - DTM02U (C) 2 - x |
SG - DTM02U (C) 2 - TX |
|
Modul Thermal |
||||||
|
Sensor imej |
Microbolometer Vox yang tidak disenarai |
|||||
|
Selang piksel |
12μm |
|||||
|
Waveband respons |
8μm hingga 14μm |
|||||
|
Maks. Resolusi |
640 × 512 |
384 × 228 |
256 × 192 |
|||
|
Kadar Bingkai (FPS) |
50 |
25 |
50 |
25 |
50 |
25 |
|
Lensa (panjang fokus) |
9.1/13/19/25mm |
9.1/13mm |
4/7/10mm |
|||
|
Nombor f |
F1.0/ F1.0/ F1.1/ F1.2 |
F1.0 |
F1.0 |
|||
|
Bidang pandangan (h × v) |
45.9 ° × 36.9 °/32.9 ° × 26.6 °/ 22.6 ° × 18.2 °/17.3 ° × 13.8 ° |
28.7 ° × 21.7 °/20.1 ° × 15.1 ° |
46.8 ° × 34.1 °/24.6 ° × 18.5 °/16.9 ° × 12.8 ° |
|||
|
Pengukuran temp |
N/a |
Sokongan |
N/a |
Sokongan |
N/a |
Sokongan |
|
Pengukuran suhu |
||||||
|
Julat suhu |
Mod LT: - 20 ° C ~+150 ° C; Mod HT: 0 ° C ~+550 ° C. |
|||||
|
Ralat pengukuran |
Maksimum (± 2 ° C, ± 2%); TEMP OPERATING: - 20 ° C ~+50 ° C. |
|||||
|
Paparan imej |
||||||
|
Pelarasan imej |
Kecerahan, kontras, ketajaman |
|||||
|
Peningkatan terperinci |
Sokongan |
|||||
|
Keuntungan |
Auto/manual |
|||||
|
Pengurangan bunyi |
2d/3d |
|||||
|
Flip |
Sokongan |
|||||
|
Cermin |
Sokongan |
|||||
|
Pseudo - warna |
18 palet warna laras |
|||||
|
Crosshair |
Paparan/Hilang/Sembunyikan |
|||||
|
Pemprosesan imej |
Pembetulan NUC, Penapis Kebisingan Digital, DDE |
|||||
|
Video |
||||||
|
Output video |
UVC/BT.656/MIPI/LVDS/CVBS |
UVC/CVBS |
||||
|
Antara muka pengembangan |
USB/MIPI/CVBS/TYPE - C. |
USB/CVBS/TYPE - C. |
||||
|
Komunikasi Serial |
Port Serial UART |
|||||
|
Umum |
||||||
|
Kuasa |
DC 4.5 ~ 5.5V; CVBS: DC 4.5-20V |
|||||
|
Penggunaan kuasa |
≤0.7w@25°c |
≤0.7w@25°c |
≤0.55w@25°c |
|||
|
Suhu kerja |
- 40 ° C ~ 70 ° C. |
|||||
|
Suhu penyimpanan |
- 40 ° C ~ 80 ° C. |
|||||
|
Kelembapan bekerja |
≤95% RH (bukan - pemeluwapan) |
|||||
|
Kejutan |
6.06g rawak, 3 - paksi, getaran gelombang sinus |
|||||
|
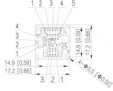
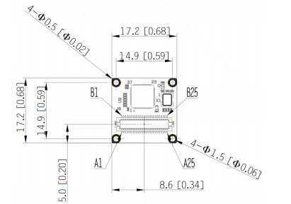
Dimensi |
17.3mm*17.3mm*10.8mm (tanpa plat ekor cincin spacer kanta) |
|||||
|
Berat |
5g (tanpa plat ekor cincin spacer lensa) |
|||||




Tinggalkan mesej anda

